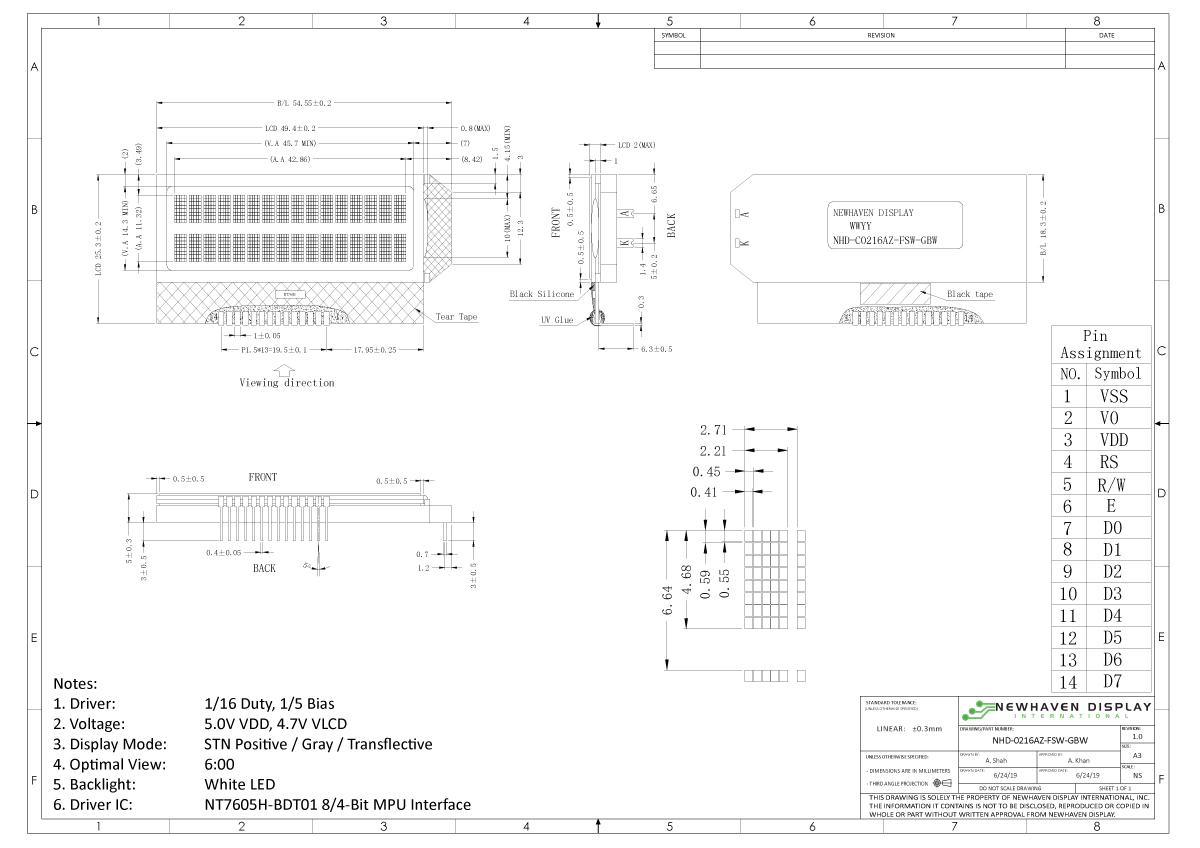
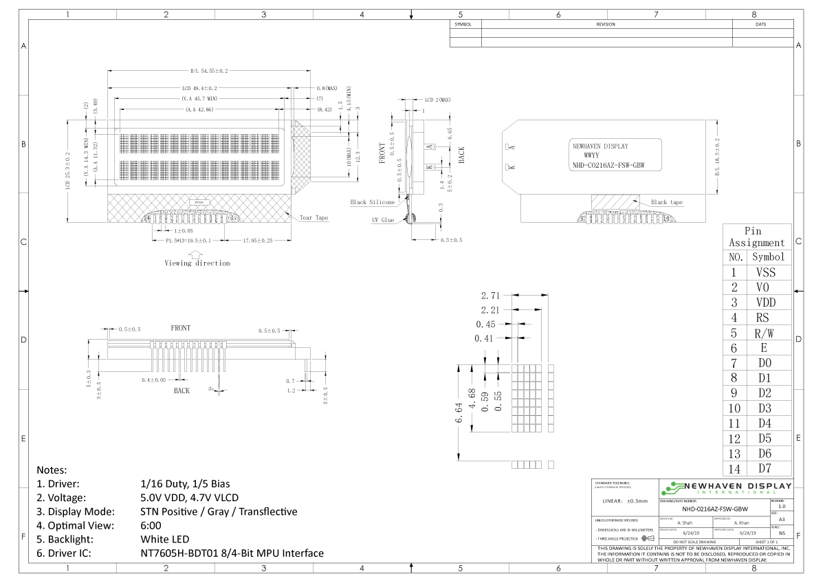
NHD-C0216AZ-FSW-GBW | 16x2 Character COG | Transflective LCD | Side White Backlight | STN (+) Positive Gray Display
Dit 16x2 karakter Chip-On-Glass (COG) LCD toont blauwe pixels op een grijze achtergrond. Deze transflecterende STN positieve LCD is zichtbaar bij omgevingslicht of een backlight. Als COG-display is er geen PCB en is de controller/driver rechtstreeks op het glas van het display aangebracht. Het Liquid Crystal Display biedt een breed bedrijfstemperatuurbereik van -20 tot 70 graden Celsius. Dit NHD-C0216AZ-FSW-GBW display met ingebouwde NT7605 controller heeft een 6:00 optimale weergave, 4-bit/ 8-bit parallelle interface, werkt op 5,0V voedingsspanning en is RoHS-conform.
LCD Product Specifications
| Number of Characters: | 32 |
| Number of Rows: | 2 |
| Display Format: | 16x2 |
| Display Type: | STN (+) Gray |
| Display Mode: | Transflective |
| Optimal View: | 6:00 |
| Outline L x W x H: | 54.55mm x 25.3mm x 5mm |
| Viewing Area L x W: | 45.7mm x 14.3mm |
| Active Area L x W: | 42.86mm x 11.32mm |
| Supply Voltage: | 5.0V |
| Backlight: | Side White |
| Interface: | Parallel |
| Compatibility: | Arduino and similar development boards |
| Controller Type: | NT7605 |
| Connection Type: | 1x14 pins with 1.5mm pitch |
| Operating Temperature: | -20°C ~ 70°C |
| Storage Temperature: | -30°C ~ 80°C |
LCD Custom Solutions
Kwaliteitsnormen
Bij Newhaven Display streven we er elke dag naar om onze klanten te voorzien van producten van de hoogste kwaliteit. Dit betekent dat de teams Kwaliteit, Techniek en Productie op één lijn zitten om uw verwachtingen te overtreffen.
Onze klanten mogen verwachten dat hun producten aan de volgende normen voldoen of deze overtreffen:
Alle producten
| Betrouwbaarheidstests | Klanten kunnen verwachten dat alle productiedelen voldoen aan of beter zijn dan operationele vereisten inzake temperatuur, vochtigheid en trillingen. |
| Reinheid van het glas | Klanten kunnen verwachten dat glas wordt beschermd door voeringen en gepresenteerd met inachtneming van de reinheidsnormen. Dit betekent dat het glas schoon zijn van verontreinigingen, vingerafdrukken en ander vreemd materiaal. |
| Bezel Verschijning | Bezels moeten uniform geschilderd zijn vrij van vreemde materialen en storende cosmetische vlekken. Onze normen handhaven een schoon krasvrij oppervlak. |
| PCB Verschijning | PCB's worden geleverd met het oog op langdurige betrouwbaarheid. De afwerkingen zijn vrij van bellen, buitenlandse verontreinigingen, en voldoen aan alle UL brand eisen. PCB materialen zullen altijd worden geleverd binnen industrie normen. PCB randen zullen schoon gesneden zijn en vrij van bramen. |
| Solderen | Het solderen van alle loodhoudende en SMT-componenten is consistent in de mechanische veiligheid en elektrische connectiviteit. |
| Consistentie | Onze productie- en inspectieprocessen verzekeren product consistentie van partij tot partij. Dit betekent dat bestellingen die in de loop der jaren voortdurend aan uw verwachtingen zullen voldoen. We doen dit door veeleisende productie specificaties, met aandacht voor detail in onze processen, en door te vergelijken met de gouden eenheden. |
| Integriteit van het product | De kwaliteit van de productie garandeert de integriteit van de constructie. De klanten kunnen strakke assemblage zonder zorg van losse delen verwachten of ontbrekend materiaal. Onze producten zullen aan al milieu voldoen verwachtingen met inbegrip van temperaturen, vochtigheid, & trillingsvoorwaarden. |
| Glaskleur | Terwijl normale variaties van glaskleur kunnen voorkomen (als gevolg van productietoleranties), handhaaft Newhaven Display de kleur naleving van interne goedgekeurde kleurenkaarten. Deze kaarten worden onderhouden om ervoor te zorgen dat alle kleine glas afwijkingen worden geïdentificeerd en gecorrigeerd indien nodig. |
| ESD Bescherming & Veiligheid | Alle apparaten worden ontworpen en behandeld met het oog op ESD bescherming. Dit omvat ESD-SAFE verpakking binnen antistatische zakken, wikkels en trays. De klanten worden herinnerd om altijd te volgen ESD-veiligheid te volgen om de apparaten optimaal te beschermen. |
Onze distributeurs
Newhaven Display werkt wereldwijd samen met distributeurs om u de beste producten en ontwerpservices te bieden, ongeacht waar u werkt.
Franchise
Geautoriseerd
-
Goede vertoning.
Goed scherm - lees alleen het gegevensblad, want de achtergrondverlichting heeft een ander voltage. De technische ondersteuning was geweldig en zeer responsief. Online bestellen was gemakkelijk.
-
Perfecto
Mooie kleine display.
-
Perfect
Kwam op tijd aan. Goede kwaliteit, goede kijkhoek en makkelijk op te zetten.
-
Goed
Goede kwaliteit en snelle verzending.
-
Producten van hoge kwaliteit
Wij kochten aanvankelijk een paar monsters voor ontwikkelingsdoeleinden en ontdekten dat Newhaven Displays tot de beste kwaliteit en ondersteuning behoren. We zitten nu in de productiefase, en de displays die we kochten presteren goed.
-
Goede zichtbaarheid buitenshuis
Het doet het verrassend goed buiten - goed verpakt, kwaliteit en klantenservice.



