NHD-0216K1Z-FSW-GBW-L | 16x2 LCD Character Display With Side White LED Backlight | Transflective LCD Mode | STN (+) Positive Gray Display
Newhaven 16x2 LCD display shows up to 32 characters as two rows, each with sixteen characters of blue, dark pixels on a light gray background. This transflective STN positive Liquid Crystal Display includes a side white LED backlight allowing it to be visible with backlight on or with ambient light while offering an optimal 6:00 view.
This NHD-0216K1Z-FSW-GBW-L display has a wide operating temperature range from -20 to 70 degrees Celsius, a built-in ST7066U controller, operates at 5V supply voltage with low Power of 20mA, and adheres to the highest quality standards. Whether you are looking to develop a high-quality product or use it for a personal project, this 16 character, 2 rows, Arduino compatible character LCD offers quality and performance with low power consumption.
Panoramica del prodotto
LCD Product Specifications
| Number of Characters: | 32 |
| Number of Rows: | 2 |
| Display Format: | 16x2 LCD |
| Display Type: | STN (+) Gray |
| Display Mode: | Transflective |
| Optimal View: | 6:00 |
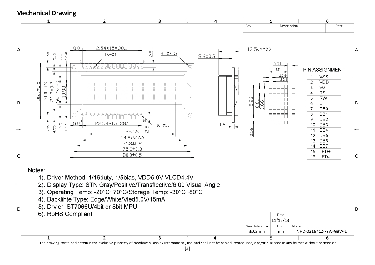
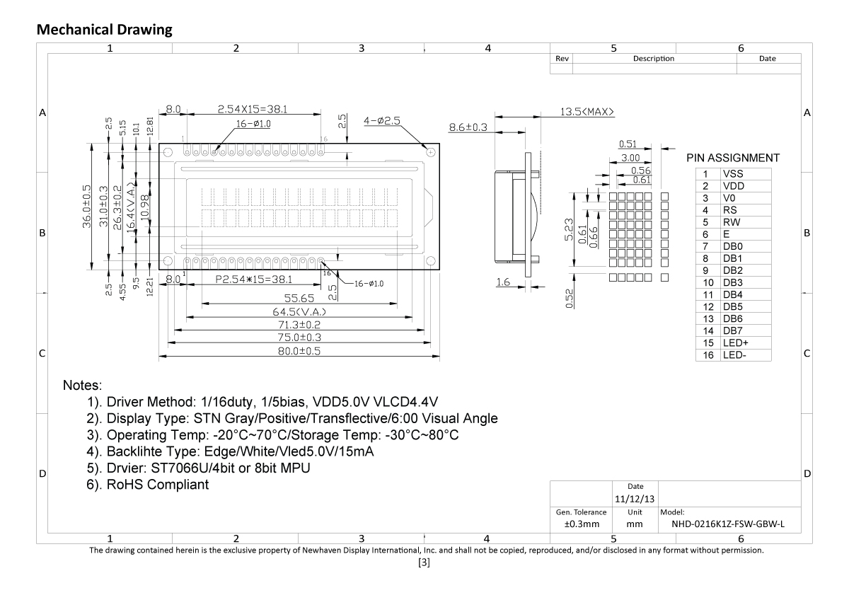
| Outline L x W x H: | 80.0mm x 36.0mm x 13.5mm |
| Viewing Area L x W: | 64.5mm x 16.4mm |
| Active Area L x W: | 55.65mm x 10.98mm |
| Supply Voltage: | 5.0V |
| Backlight: | Side White |
| Interface: | Parallel |
| Compatibility: | Arduino and similar development boards |
| Controller Type: | ST7066U |
| Connection Type: | 1x16 Thru Hole with 2.54mm pitch |
| Operating Temperature: | -20°C ~ 70°C |
| Storage Temperature: | -30°C ~ 80°C |
LCD Custom Solutions
Standard di qualità
In Newhaven Display ci impegniamo ogni giorno per fornire ai nostri clienti prodotti di altissima qualità. Questo significa che i team di qualità, ingegneria e produzione sono allineati per superare le vostre aspettative.
I nostri clienti devono aspettarsi che i loro prodotti soddisfino o superino i seguenti standard:
Tutti i prodotti
| Test di affidabilità | I clienti possono aspettarsi che tutti i componenti di produzione soddisfino o superino requisiti operativi di temperatura, umidità e vibrazioni. |
| Pulizia del vetro | I clienti possono aspettarsi che i vetri siano protetti da rivestimenti e presentati presentati nel rispetto degli standard di pulizia. Ciò significa che il vetro pulito da contaminanti, impronte digitali e altri materiali estranei. |
| Aspetto della lunetta | Le lunette saranno verniciate in modo uniforme e prive di materiali estranei e di di materiali estranei e di imperfezioni estetiche che possano distrarre. I nostri standard mantengono una superficie superficie priva di graffi. |
| Aspetto del PCB | I circuiti stampati vengono consegnati tenendo conto dell'affidabilità a lungo termine. Le finiture sono senza bolle, contaminanti estranei e soddisfano tutti i requisiti antincendio UL. UL. I materiali dei PCB vengono sempre consegnati nel rispetto norme del settore. I bordi dei PCB saranno tagliati in modo pulito e privi di bave. |
| Saldatura | La saldatura di tutti i componenti piombati e SMT è coerente con la sicurezza meccanica e la connettività elettrica. garantire la sicurezza meccanica e la connettività elettrica. |
| Coerenza | I nostri processi di produzione e ispezione garantiscono la coerenza dei prodotti da un lotto all'altro. Ciò significa che gli ordini elaborati nel corso degli anni saranno sempre all'altezza delle vostre aspettative. Questo è possibile grazie a specifiche di produzione rigorose, con l'attenzione ai dettagli nei nostri processi e confrontandoci con le unità d'oro. |
| Integrità del prodotto | La qualità nella fabbricazione dei prodotti garantisce l'integrità della costruzione. I clienti possono aspettarsi un assemblaggio preciso senza preoccuparsi di parti allentate o di materiale mancante. I nostri prodotti soddisfano tutte le ambientali, comprese le condizioni di temperatura, umidità e vibrazioni. |
| Colore del vetro | Sebbene possano verificarsi normali variazioni di colore del vetro (a causa delle tolleranze di produzione), Newhaven Display mantiene il colore conformità con le tabelle di colore approvate internamente. Queste tabelle sono per garantire l'identificazione e la correzione di eventuali piccole deviazioni del vetro. corrette se necessario. |
| Protezione e sicurezza ESD | Tutti i dispositivi sono progettati e trattati tenendo conto della protezione ESD. protezione ESD. Ciò include l'imballaggio ESD-SAFE in sacchetti antistatici, involucri e vassoi. antistatici, in sacchetti, involucri e vassoi. Si ricorda ai clienti di seguire sempre sicurezza ESD per proteggere al meglio i dispositivi. |
I nostri distributori
Newhaven Display collabora con distributori di tutto il mondo per offrirvi i migliori prodotti e servizi di progettazione, indipendentemente dal luogo in cui lavorate.



